These units are no longer available.
CC3730D Series
Self-Propelled Saws
Self-Propelled Saws

CC3730D Series Self Propelled Saws are made to order.
Please call 1-800-882-4959 for price and availability.
Please call 1-800-882-4959 for price and availability.
CC3730D Series Self Propelled Saws:
Specify Blade Guard Size and Power Source for price and availability quotes.Model |
Power Source |
Part Number |
Blade Guard |
Weight |
|
CC3730D |
Deutz 30Hp |
Diesel |
5800440 |
14" |
1430 |
5800441 |
20" |
||||
5800442 |
26" |
||||
5800443 |
30" |
||||
5800444 |
36" |
||||
Features and Benefits:
- Maximum 36" blade capacity
- Self-propelled hydrostatic transmission
- Cyclone air cleaner
- Slip-on blade guard
- Compact large saw. Fits through 30" door
- Forward position motor for more weight at the blade and less on the operator
- Frame design for higher torque from high horsepower engines
Specifications
| Maximum depth of cut with a 14" blade | 4-1/2" |
| Maximum depth of cut with a 20" blade | 7-1/2" |
| Maximum depth of cut with a 26" blade | 10-1/2" |
| Maximum depth of cut with a 30" blade | 11-3/4" |
| Maximum depth of cut with a 36" blade | 14-3/4" |
| Blade shaft diameter | 1-3/4" |
| Arbor size: | 1" with drivepin |
| Blade shaft drive: | 8 belt |
| Blade mounting | Right or left |
| Blade raise & lower | Electro-hydraulic pump |
| Transmission | Eaton Model 10 |
| Drive speed | 0-200 feet/minute |
| Fuel capacity | 6 Gallons |
| Air filter | 4 stage |
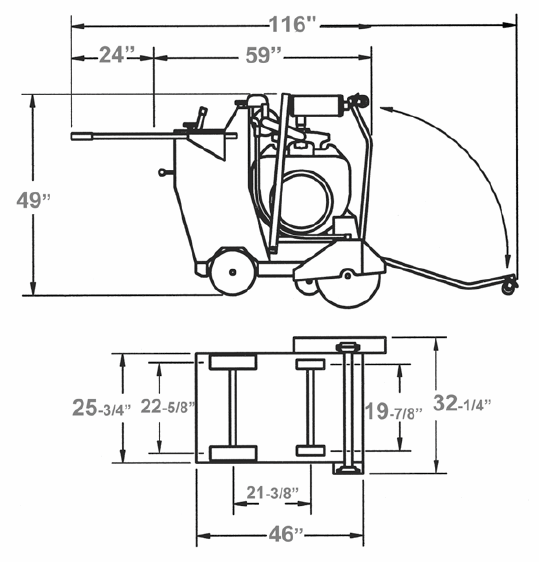
CC3730D Dimensions


Diamond Products
Pro Cutters Guide